Please find a new, updated and interactive version here!

Custom Air Intake and MAF Conversion
for my 1988 F150 5.0l V8

Click on images for larger pics!

Parts:

8 New Bosch Design III fuel injectors, flow matched to less than 1% tolerance $150
The intake from a 1996 F150 including:
1 Upper intake manifold
1 Lower intake manifold
1 Engine wiring harness
1 Fuel rail with fuel pressure regulator
1 Idle air control valve
3 vacuum solenoids and tubing
$120
1 Engine wiring harness from a 1989 F150 $40
1 Throttle body from a 2000 Lightning $75
1 New intake elbow from a 2000 Lightning $50
1 Pro-M 80mm MAF sensor with K&N conical air filter $170
New EGR valve $70  
New EGR tube $40  
1 New Oxygen sensor (3-wire) $40  
1 New air charge temperature sensor $12  
1 New crankcase breather filter $8  
1 Mustang A9L ECM with spare connector $133
1 3.5'' tube with a silicon sleeve $39  
1 Custom throttle body spacer $350
All together $1297

Old parts sold:

The old K&N FIPK: $90.

Computer: $40

Intakes + harness: $61

Snorkel + Filter: $31

96 injectors: $31

Still for sale: '96 EGR-valve, '96 coil

Grand total spent on the conversion (excluding my own labor): $1044
That should be compared to the $700+ for the conversion kits that only contain a computer, jumper harness, Y-adapter MAF sensor and filter box lid.

Idea:

First, all I wanted was to convert the computer of my 1988 F150 5.0l V8 from the outdated speed density (SD) to the modern mass-air system. SD calculates the air to fuel ratio by an estimate of the amount of air entering the engine, whereas mass-air directly measures the amount of air entering the engine with a mass-airflow (MAF) sensor. In addition, SD fires four injectors at a time (bank firing EFI), while MAF fires them sequentially (SEFI). The single mass-air sensor requires a Y-adapter to fit to the dual bore intake on my truck. However, I didn't like the Y-adapter at all so I thought a F150 Lightning throttle body should fit just as well and provide me with a single intake tube. The problem was that I couldn't be sure if the TB would bolt on without any modifications. Therefore, I got a cheap intake off Ebay, so I could experiment on the desk at home. Conveniently, it came with the lower intake manifold and fuel rails, as I had already previously planned to replace the fuel injectors with the new Bosch IIIs anyway. To make the whole project plug-and-play, I also got a wiring harness off of a 1989 truck, a computer connector and the A9L computer from a 89-93 Mustang. The idea was to take the intake off the truck, remove the engine wiring harness and replace it with the parts from the project to have a MAF truck with a single intake tube and a performance mass-air sensor. It is also a perfect opportunity to replace the EGR system with some sensors and vaccuum solenoids, as I was starting to get plenty of error codes recently.


Process:

While getting the parts, I used the following threads and pages to gather some information about how the MAF conversion had to proceed:

Importantly, the following wiring diagram explaines the injector wiring from EFI to SEFI:

The most tedious job is to make the wiring harness. First I had to strip the entire harness from the 1989 F150, clean it and make sure all the connectors matched. In addition to the sequential injector wiring, the connector for the mass air flow (MAF) sensor needs to be wired into the harness. I simply split the signal of the single oxygen sensor in two to simulate two sensors as required by the A9L computer.

To get this done, I first had to take off all the wire stumps from the spare connector that came with the A9L:

That is rather easy, if you take out the red H-shaped bracket and then insert a small screwdriver (see Leatherman Wave above) into each pin to remove it. I'll re-use some of the pins later!

The extra connector came in handy, because the old connector had a plastic cover that would've needed modification to move pin locations and it provided me with spare metal inserts for the pins. All I had to do was switch all the pins over to the new connector. The left picture shows the beginning of the process with only a few wires in the new connector. The right image shows the final result: all the wires are transferred and the remaining parts are combined to another spare connector (on the right side, with the H-bracket inserted and the black cap over the blue plastic cover).

During the soldering and wiring process, I double checked all the connections with the wiring diagram of a 1990 Mustang. You can see my printout of the diagram on the left image above. Note that the injectors will be wired slightly differently, as the firing order for a Mustang is different from that of the truck (see above).

During the wiring of the wiring harness, I discovered that pins 23 (knock sensor) and 24 (power steering pressure switch) are not used in the Mustang A9L. For now, I have left those pins unoccupied. If the Mustang doesn't use them, it should work with the truck, too. It simply means I might have to depress the accelerator somewhat to turn the steering wheel when the truck isn't rolling and I can't advance the timing too much, if there's no knock sensor automatically retarding the timing. We will see how this turns out. I also moved the air charge temperature (ACT) sensor from the lower intake manifold to the intake tube.

This is what the harness looks like in its final form with the A9L Mustang computer:

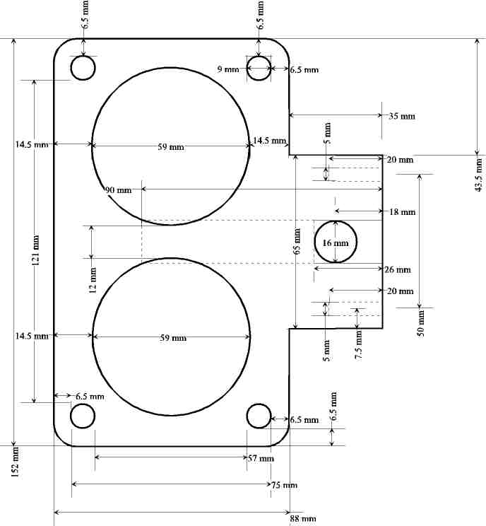
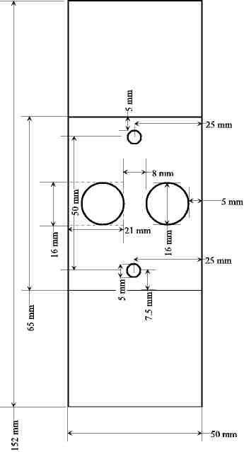
The mounting holes in the Lightning throttle body had to be widened to 9mm, they match just fine in all other respects. The only real problem is to mount the idle air control valve (IAC). With the Lightning having a charged engine, the bypass air goes into the manifold, rather than just past the throttle bores, so the Lightning thottle body doesn't have mounts for an IAC. What I did was having a machine shop make me a throttle body spacer (I think 2" thick) out of aluminum. I mounted the IAC on the spacer and used a U shaped piece of coolant hose from AutoZone or Napa with some plumbing fittings to route air from the rubber Lightning intake elbow to the spacer. The spacer has two holes for the bypass air: one that is right between the two intake bores and is big enough to hit both bores with an opening, so the bypassed air gets evenly into the manifold. The other hole is basically 'L' shaped and goes anywhere you can easily mount the plumbing nipple for the hose from the elbow - that's where the air comes in. Both holes are connected by the IAC. I just gave the blueprints (1, 2) for the pacer to a machine shop, along with some explanations on how it should work. While I was waiting for the spacer to be ready, I painted the intakes black and used my Dremel tool to port match the bores in the intake to the 59mm of the Lightning throttlebody.

The scratches on the mating surface should not be a problem, as I was going to use RTV sealant on the gaskets anyway.

Finally, the throttle body spacer got ready. I should've made it myself, it came to be a whopping $350 for a few holes in a piece of aluminum!

Well, at least now I'm almost ready to assemble the kit and check everything out one more time before it goes on the truck. And check out the difference in bore size on the spacer as opposed to the old throttle body:

Finally! The big day is near! Have a look at the now loosely assembled intake. It took some piping and adaptors to get the air bypass hose to route appropriately, but it's working now. The only things missing is the tube between the intake elbow and the MAF sensor and the sleeve holding it there.

This last weekend I got to swapping my custom kit in. Here's how it went:

This is the engine bay before the operation. You can tell the two barrel intake with the K&N open filter at the end.

A side view gets you a little closer to the details:

This is how it looks just after upper and lower intake are removed (notice the bits of cloth in the ports to prevent debris from entering the engine):

The driver's side valve cover had been leaking a little for ages, so I took it off and replaced the gasket while I was in there.

I also replaced the check valve of the A.I.R. system, while it was so easy to get to (way in the back, where the rubber hose meets the metal tube between the two cylinder heads).

This is the new lower manifold installed, ready for the wiring harness to go in, the fuel lines to be re-connected and the upper manifold to bolt on. The valve cover is painted and back on as well.

The distributor still needs to go in, too.

Below is the complete setup. I'm pretty pleased that everything fitted so nicely. At first I was scared, as I noticed I had forgotten the hose from the charcoal cannister (where the fuel vapors from the tank go). In the original setup, that hose goes into the throttle body. I had nowhere to put that hose on the Lightning TB so I routed it into the pipe in the vacuum tree on the upper intake where the MAP sensor used to go (since the MAP sensor is now a BAP sensor, there's one 'branch' on the vacuum tree left open).

I got the 3.5" OD intake pipe from SummitRacing - as exhaust pipe. The blue coupling is 3.5" ID from MAN Performance Diesel.

Unfortunately, the truck wasn't running after the procedure. When I tried to check computer codes, there wasn't even a check engine light to flash the codes.

I suspected the computer to be bad and sure enough, when I brought it to AutoComp to have it checked, it turned out to be bad.

19 August 2002: It's alive! The new computer did it! The power is incredible! Awesome throttle response! A few points still remain to be tweaked, though:

  1. There's a vacuum leak I need to track down.
  2. The throttle linkage has to be adjusted (I'll post pictures once I've found a final solution).
  3. The check engine light still is completely dead (and I've checked the bulb).

Other than that it runs smooth as silk with an acceleration that was very surprising to me. I'd have never thought what a difference the conversion would make. I also noticed that the powerband has shifted slightly upwards. There's a real 'kick in the back' once you cross the 2000rpm mark now ! It feels like my Miata at 4000rpms (ok, maybe not quite )...

June 17, 2003: I fixed the vacuum leak (the throttle cable was too short in the linkage and kept the throttle partially open. It's not ideal now, but works. I'd need to bend the throttle pedal to get more play (doesn't go WOT now). Got the MAF sensor recalibrated, too. Will come back and post how that changed driveability and such.